Вентилятор радиальный ВРВ общепромышленного исполнения
Описание
- Модернизированные радиальные вентиляторы среднего давления с увеличенным выходным фланцем прямоугольной формы
- Предназначены для общеобменной вентиляции
Конструктив
- Корпус в виде улитки из оцинкованной стали
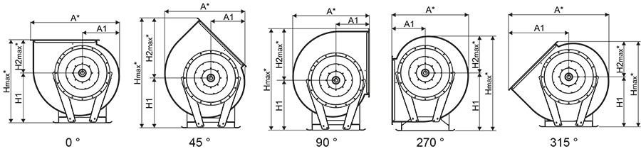
- Углы поворота корпуса: 0°, 45°, 90°, 270°, 315°
- Левое (Л) или правое (Пр) направление вращения рабочего колеса/положение корпуса
- Тип рабочего колеса «РВ» с загнутыми вперед лопатками
- Рабочее колесо до 4,0 из оцинкованной стали от 5,0 из углеродистой стали с покрытием
Двигатель
- Трехфазный асинхронный электродвигатель
- Степень защиты электродвигателя не ниже IP 54
Условия эксплуатации
- Климатическое исполнение по ГОСТ 15150-69: У2 (для эксплуатации под навесом). Допускается эксплуатация в У1 (на открытом воздухе) при комплектации кожухом электродвигателя или двигателем У1
- Температура окружающей среды от -45°С до +40°С
- Общепромышленное (О) исполнение
- Температура перемещаемой среды от -45°С до +80°С
- Перемещаемая среда не должна содержать:
- пары и газы с агрессивностью к металлам, покрытиям и изоляции выше агрессивности воздуха
Дополнительная комплектация

1 - Вставка гибкая круглая ВГК-ВРН/ВРВ
2 - Вставка гибкая прямоугольная ВГП-ВРН/ВРВ
3 - Козырёк защитный Козырек-ВРН/ВРВ
4 - Решетка защитная БАСКЕТ-ВРН/ВРВ
5 - Клапан вертикального выброса КВВ-ВРН/ВРВ
6 - Кожух ЭД-ВРН/ВРВ
7 – Виброизоляторы
* Дополнительные комплектующие в комплект поставки не входят.
Полная информация о вентиляторах ВРВ в электронном pdf-каталоге по ссылке во вкладке "Характеристики".
Габаритные и присоединительные размеры

|
Наименование |
А2 |
В max* |
В1 |
D |
D1 |
d |
d1 |
a |
а1 |
h |
h1 |
n |
n2 |
|
ВРВ-2,0 |
74 |
507 |
160 |
213 |
235 |
9,5 |
11 |
255 |
275 |
140 |
160 |
4 |
8 |
|
ВРВ-2,5 |
85 |
617 |
179 |
250 |
289 |
9,5 |
11 |
326 |
346 |
178 |
198 |
4 |
8 |
|
ВРВ-3,15 |
115 |
638 |
200 |
315 |
349 |
9,5 |
11 |
400 |
420 |
220 |
240 |
4 |
8 |
|
ВРВ-4,0 |
144 |
782 |
232 |
400 |
434 |
9,5 |
11 |
513 |
533 |
284 |
304 |
4 |
8 |
|
ВРВ-5,0 |
178 |
1094 |
271 |
500 |
534 |
11 |
11 |
644 |
673 |
356 |
385 |
4 |
16 |
|
ВРВ-6,3 |
230,5 |
1240 |
349 |
630 |
665 |
11 |
11 |
802 |
831 |
444 |
473 |
4 |
16 |
|
ВРВ-8,0 |
295 |
1780 |
434 |
800 |
829 |
11 |
11 |
1010 |
1039 |
566 |
595 |
4 |
16 |
* Максимальный размер при различных положениях корпуса.
Габаритные и присоединительные размеры вентиляторов в зависимости от положения корпуса ВРВ

|
Наименование |
А* |
А1 |
H max* |
H1 |
H2 max* |
||||||||||||||||||||
|
0° |
45° |
90° |
270° |
315° |
0° |
45° |
90° |
270° |
315° |
0° |
45° |
90° |
270° |
315° |
0° |
45° |
90° |
270° |
315° |
0° |
45° |
90° |
270° |
315° |
|
|
ВРВ-2,0 |
374 |
355 |
337 |
337 |
434 |
154 |
164 |
159 |
159 |
267 |
359 |
467 |
420 |
434 |
444 |
200 |
200 |
200 |
280 |
280 |
159 |
267 |
220 |
154 |
164 |
|
ВРВ-2,5 |
457 |
434 |
403 |
403 |
522 |
189 |
199 |
183 |
183 |
318 |
423 |
558 |
508 |
529 |
539 |
240 |
240 |
240 |
340 |
340 |
183 |
318 |
268 |
189 |
199 |
|
ВРВ-3,15 |
574 |
531 |
504 |
504 |
655 |
239 |
233 |
226 |
226 |
396 |
536 |
706 |
645 |
650 |
643 |
310 |
310 |
310 |
410 |
410 |
226 |
396 |
335 |
240 |
233 |
|
ВРВ-4,0 |
723 |
676 |
643 |
643 |
829 |
303 |
298 |
290 |
290 |
501 |
680 |
891 |
810 |
773 |
768 |
390 |
390 |
390 |
470 |
470 |
290 |
501 |
420 |
303 |
298 |
|
ВРВ-5,0 |
906 |
840 |
790 |
790 |
1029 |
377 |
369 |
350 |
350 |
621 |
860 |
1131 |
1038 |
958 |
949 |
510 |
510 |
510 |
580 |
580 |
350 |
621 |
528 |
378 |
369 |
|
ВРВ-6,3 |
1136 |
1038 |
984 |
984 |
1285 |
476 |
443 |
429 |
429 |
769 |
1054 |
1394 |
1285 |
1222 |
1189 |
625 |
625 |
625 |
746 |
746 |
429 |
769 |
660 |
476 |
443 |
|
ВРВ-8,0 |
1435 |
1308 |
1239 |
1239 |
1619 |
604 |
554 |
535 |
535 |
965 |
1331 |
1767 |
1633 |
1497 |
1448 |
795 |
795 |
795 |
895 |
895 |
536 |
972 |
838 |
602 |
553 |
* Максимальный размер при различных положениях корпуса.
Габаритные и присоединительные размеры основания рамы вентиляторов ВРВ

|
Наименование |
С |
С1 |
С2 |
bxl |
k |
|
ВРВ-2,0 |
275 |
330 |
48 |
8х14 |
70 |
|
ВРВ-2,5 |
295 |
330 |
71 |
8х18 |
70 |
|
ВРВ-3,15 |
332,5 |
395 |
60 |
8х18 |
75 |
|
ВРВ-4,0 |
456 |
610 |
127 |
8х22 |
90 |
|
ВРВ-5,0 |
586 |
695 |
100 |
11х22 |
100 |
|
ВРВ-6,3 |
550 |
830 |
200 |
11х22 |
110 |
|
ВРВ-8,0 |
800 |
1195/1485* |
222 |
11х22 |
125 |
* Размер указан для вентилятора ВРВ-8,0-О-РВ-110,0/1000/380-660.
Технические характеристики
|
Наименование |
N, кВт |
n, об/мин |
Ток при 380В, А |
Габарит электро-двигателя |
Масса max, кг |
Виброопора тип ЕС (А) |
|
|
Кол-во |
Тип |
||||||
|
ВРВ-2,0-О-РВ-0,18/1500/220-380 |
0,18 |
1310 |
0,67 |
56 |
15,8 |
4 |
20*25 (A) М6 |
|
ВРВ-2,0-О-РВ-2,2/3000/220-380 |
2,2 |
2855 |
4,85 |
80 |
30,9 |
4 |
20*25 (A) М6 |
|
ВРВ-2,5-О-РВ-0,75/1500/220-380 |
0,75 |
1390 |
2,11 |
71 |
24,6 |
4 |
20*25 (A) М6 |
|
ВРВ-2,5-О-РВ-5,5/3000/220-380 |
5,5 |
2900 |
11,1 |
100 |
55,1 |
4 |
20*25 (A) М6 |
|
ВРВ-3,15-О-РВ-0,25/750/220-380 |
0,25 |
645 |
1,1 |
71 |
33,5 |
4 |
20*25(A) М6 |
|
ВРВ-3,15-О-РВ-0,55/1000/220-380 |
0,55 |
880 |
1,79 |
71 |
31,3 |
4 |
20*25(A) М6 |
|
ВРВ-3,15-О-РВ-2,2/1500/220-380 |
2,2 |
1410 |
5,3 |
90 |
50,4 |
4 |
20*20(A) М6 |
|
ВРВ-4,0-О-РВ-1,1/750/220-380 |
1,1 |
680 |
3,36 |
90 |
62,8 |
4 |
20*15(A) М6 |
|
ВРВ-4,0-О-РВ-2,2/1000/220-380 |
2,2 |
935 |
5,6 |
100 |
72 |
4 |
30*25(A) М8 |
|
ВРВ-4,0-О-РВ-7,5/1500/380-660 |
7,5 |
1450 |
15,71 |
132 |
111,8 |
4 |
30*25(A) М8 |
|
ВРВ-5,0-О-РВ-3,0/750/220-380 |
3,0 |
710 |
8,15 |
112 |
121,1 |
4 |
30*15(A) М8 |
|
ВРВ-5,0-О-РВ-7,5/1000/380-660 |
7,5 |
970 |
17,2 |
132 |
164 |
4 |
30*15(A) М8 |
|
ВРВ-5,0-О-РВ-30,0/1500/380-660 |
30,0 |
1470 |
57,6 |
180 |
278,7 |
4 |
40*30(A) М10 |
|
ВРВ-6,3-О-РВ-11,0/750/380-660 |
11,0 |
730 |
26 |
160 |
271 |
4 |
40*30(A) М10 |
|
ВРВ-6,3-О-РВ-30,0/1000/380-660 |
30,0 |
980 |
60 |
200 |
417 |
4 |
50*40(A) М10 |
|
ВРВ-8,0-О-РВ-45,0/750/380-660 |
45,0 |
740 |
94 |
250 |
766 |
8 |
60*40(A) М12 |
|
ВРВ-8,0-О-РВ-110,0/1000/380-660 |
110,0 |
985 |
207 |
315 |
1255 |
8 |
70*60(A) М10 |
Шумовые характеристики
|
Наименование |
Уровень звуковой мощности, дБ в октавных полосах частот, Гц |
Общий, дБа |
||||||
|
125 |
250 |
500 |
1000 |
2000 |
4000 |
8000 |
||
|
ВРВ-2,0-О-РВ-0,18/1500/220-380 |
66 |
68 |
63 |
62 |
58 |
49 |
45 |
71 |
|
ВРВ-2,0-О-РВ-2,2/3000/220-380 |
86 |
88 |
83 |
82 |
78 |
69 |
65 |
91 |
|
ВРВ-2,5-О-РВ-0,75/1500/220-380 |
73 |
75 |
70 |
69 |
65 |
56 |
52 |
78 |
|
ВРВ-2,5-О-РВ-5,5/3000/220-380 |
93 |
96 |
90 |
89 |
85 |
77 |
72 |
99 |
|
ВРВ-3,15-О-РВ-0,25/750-220-380 |
68 |
70 |
71 |
69 |
62 |
58 |
53 |
72 |
|
ВРВ-3,15-О-РВ-0,55/1000-220-380 |
74 |
76 |
77 |
75 |
68 |
64 |
59 |
78 |
|
ВРВ-3,15-О-РВ-2,2/1500-220-380 |
86 |
88 |
89 |
87 |
80 |
76 |
71 |
90 |
|
ВРВ-4,0-О-РВ-1,1/750/220-380 |
75 |
77 |
72 |
71 |
67 |
58 |
54 |
80 |
|
ВРВ-4,0-О-РВ-2,2/1000/220-380 |
84 |
86 |
87 |
85 |
78 |
74 |
69 |
88 |
|
ВРВ-4,0-О-РВ-7,5/1500/380-660 |
94 |
96 |
97 |
95 |
88 |
84 |
79 |
98 |
|
ВРВ-5,0-О-РВ-3,0/750/220-380 |
85 |
87 |
88 |
86 |
79 |
79 |
70 |
89 |
|
ВРВ-5,0-О-РВ-7,5/1000/380-660 |
94 |
96 |
97 |
95 |
88 |
84 |
79 |
98 |
|
ВРВ-5,0-О-РВ-30,0/1500/380-660 |
104 |
106 |
107 |
105 |
98 |
94 |
89 |
108 |
|
ВРВ-6,3-О-РВ-11,0/750/380-660 |
92 |
95 |
89 |
88 |
84 |
76 |
71 |
98 |
|
ВРВ-6,3-О-РВ-30,0/1000/380-660 |
100 |
102 |
97 |
96 |
92 |
83 |
79 |
105 |
|
ВРВ-8,0-О-РВ-45,0/750/380-660 |
103 |
105 |
106 |
104 |
97 |
93 |
88 |
107 |
|
ВРВ-8,0-О-РВ-110,0/1000/380-660 |
111 |
113 |
114 |
112 |
105 |
101 |
96 |
115 |

Электрические схемы подключения вентиляторов в сеть 380 В

* В вентиляторах с номинальным напряжением ∆/Y 380В/660В предусмотрена возможность запуска пониженным напряжением по схеме Y-∆. Для получения более подробной информации по подключению, обратитесь в отдел технической поддержки.
Не представленные в наличии модели доступны к поставке под заказ
Оповестить о поступлении
Всю необходимую информацию также можно получить по телефону «горячей линии»
+ 7 800 200 93 96или по телефону
+7 800 505 08 67 получить консультацию